RSM3512
High Efficiency, Non-Isolated, Regulated 12V Digital DC/DC Intermediate Bus Converter Power Module
Features
- 40 to 60V Input Voltage Range
- 12V Regulated Output Voltage
- Up to 2000W Continuous Output Power
- Up to 3000W Transient Output Power
- Up to 98% Efficiency
- Parallel Operation for Multi-kW Arrays with active current sharing
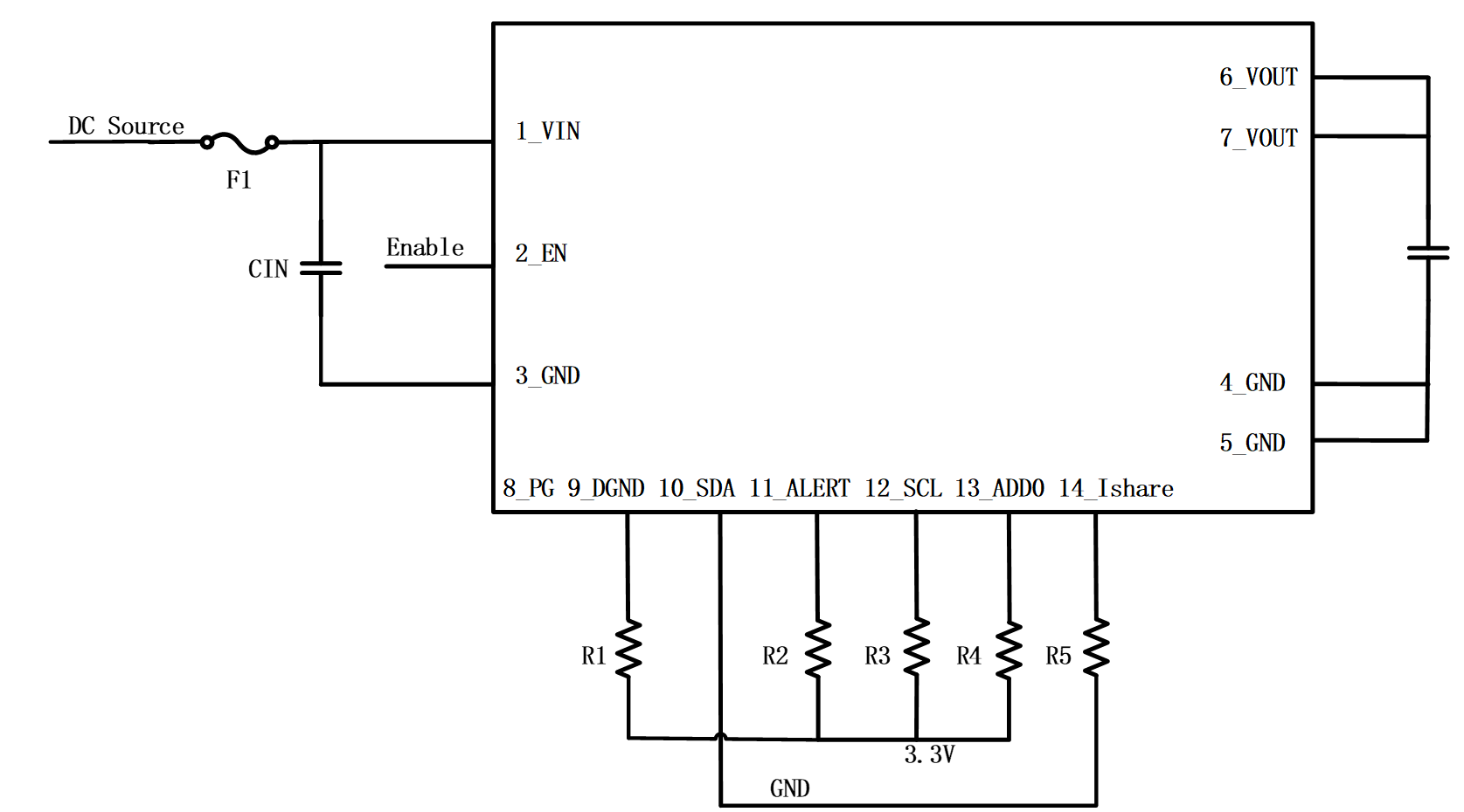
- Configuration and Monitoring via PMBus
- 4mm x 36.8mm x 13.9mm with HSP
- Wave and Reflow Soldering (MSL3)
- UL62368-1, 2nd Pending
Description
The RSM3512 is a high-efficiency, non-isolated, regulated 12V digital DC/DC intermediate bus converter power module.
The module operates from a 40V to 60V DC primary bus and a 12V regulated output voltage. It can deliver up to 2000W continuously and 3000W in transient.
The built-in digital controller can store and restore module configurations. The fault status, input voltage, output voltage, output current, and temperature are monitored via the PMBus interface.
The RSM3512 is available in quarter-brick (58.4mm x 36.8mm x 13.9mm with HSP) package.




