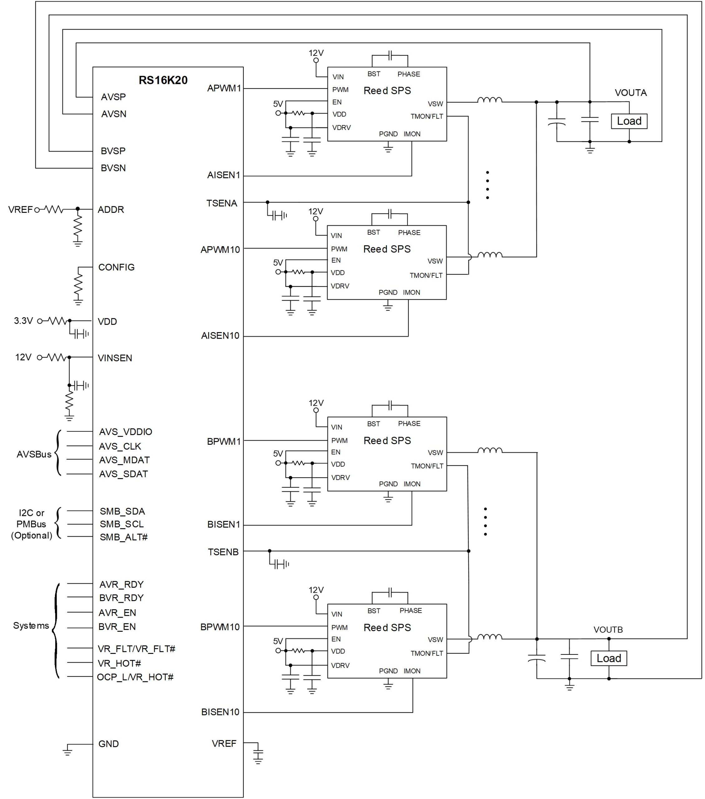
RS16K20
Dual-Channel (N+M<= 20 Phase) Step-Down Multiphase Controller with AVSBus and PMBus™ Interface
Features
- Native Trans-Inductor Voltage Regulator (TLVR) Support
- No external passive components required
- Built-in 1kΩ current sense resistor
- Paired with ReedSemi Smart Power Stages or Modules for high density solutions
- Scalability and Flexibility
- Scalable phase count: (20+0) to (10+10)
- Flexible phase order assignment
- Input and Output Range, Accuracy
- 4.5V to 16V input & 0.2V to 2.7V output
- 0.5% accurate output with differential sense
- Telemetry
- 1.5% Input & Output voltage accuracy
- 1.5% Output current accuracy
- ±2°C Temperature accuracy
- Improved Performance
- Improved efficiency: Programmable Auto phase add/drop thresholds for optimization
- Programmable Over-shoot & Under-shoot Reduction thresholds for better transient
- Thermal Balance Management
- Protection Capability
- Programmable Fault Response: Latch & Hiccup
- UVLO, UVP, OVP, OCP, OTP
- Cycle by cycle per-phase current limit
- Output BOM, Platform Area and Cost Reduction
- Up to 4MHz switching frequency & Constant On Time control with fast transient for smaller & low-cost external passives
- Programmable DC load line helps reduce the overshoot and the external capacitors
- Ease-of-use, Interfaces and Debug Features
- Internal compensation
- AVSBus™ revision 1.4/2.0 Compliant
- PMBus™ v1.4.1 Compliant
- Built in Multiple time Programmability (MTP) with up to 31 writes for field programmability
- Black box registers for fault record
- RoHS Compliant and Green
- 8 mm × 8 mm, 68-Pin, QFN Package
Description
RS16K20 is a AVSBus™ compliant dual output multiphase buck controller with built-in MTP & PMBus™ interface. It is fully compatible with Reed Semiconductor’s smart power stage. Advanced control features such as programmable DC load line, undershoot & overshoot reduction provide fast transient response hence needing low output capacitance. The device also provides auto phase add/drop with phase current balancing for efficiency improvement across loads. It supports fast dynamic voltage transitions with programable slew rates. All programmable parameters can be configured by the PMBus interface and can be stored in devices as default values. The MTP gives an added advantage of optimizing the device performance in the field.
RS16K20 is offered in a 68-pin QFN package and is rated to operate from -40°C to 125°C




